Tato řídící jednotka je vhodná pro tepelná čerpadla EKO95, EKO95n, EKO135n a EKO195n.
Může ovládat jednofázovou venkovní jednotku WWBC38HB, WWBC95HB a WWBC95HBP a třífázovou venkovní jednotku WWBC135HAS a WWBC195HAS
Je vybavena ekvitermní regulací teploty a pokročilými mechanismy, umožňujícími na základě získaných informací optimalizovat provoz tepelného čerpadla tak, aby se dosáhlo co nejekonomičtějšího režimu.
Jako dotop se předpokládá elektrokotel.
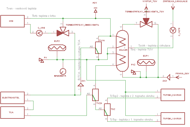
Umožňuje ovládat cirkulaci TUV a zajišťuje minimalizaci tepelných ztrát z oběhu TUV.
Zajišťuje ohřev bazénu pomocí bazénového výměníku a řízení filtrace bazénu.
Dovoluje řídit dva topné okruhy nebo zapojit do systému teplovodní krbovou vložku a řídit zapínání oběhového čerpadla krbu.
Dovoluje ovládat čtyři třícestné ventily, zajišťujících úsporný ohřev teplé užitkové vody, bazénu a dvou topných okruhů nebo tři třícestné ventily a oběhové čerpadlo krbu.
Jako doplněk lze připojit dva prostorové termostaty. Pro obvyklou činnost řízení vytápění pomocí ekvitermní regulace nejsou tyto termostaty nutné.
Teploty v systému jsou snímány pomocí sedmi teploměrů.
Samozřejmostí je vstup pro signál HDO.
Řídící jednotka Rj2a vyžaduje třífázový nadřazený jistič 3x16A/C.

V těchto topných okruzích se využívá oběhové čerpadlo doporučeného elektrokotle DAKON Daline, které lze samostatně ovládat. V případě použití elektrokotle, který tuto funkci neumožňuje je třeba použít samostatné oběhové čerpadlo.






V topných okruzích tepelného čerpadla EKO135n je třeba vzhledem k potřebnému průtoku topné vody použít místo třícestného ventilu dvojici zónových ventilů, které mají dostatečně vysoký koeficient Kvs a nebrání průtoku topné vody.






Požadovaný průtok topné vody venkovní jednotkou tepelného čerpadla EKO195n vyžaduje použití dvou oběhových čerpadel (v elektrokotli a druhého C_TC).





