Toto je naše nejuniverzálnější řídící jednotka. Je vhodná pro tepelná čerpadla EKO135n, EKO190, EKO195n, EKO200n, EKO240n, EKO290n, EKO310n a EKO380n.
Může ovládat třífázové venkovní jednotky WWBC135HBS a WWBC195HBS.
Je vybavena ekvitermní regulací teploty a pokročilými mechanismy, umožňujícími na základě získaných informací optimalizovat provoz tepelného čerpadla tak, aby se dosáhlo co nejekonomičtějšího režimu.
Jako dotop se předpokládá dotopová jednotka do 9 kW.
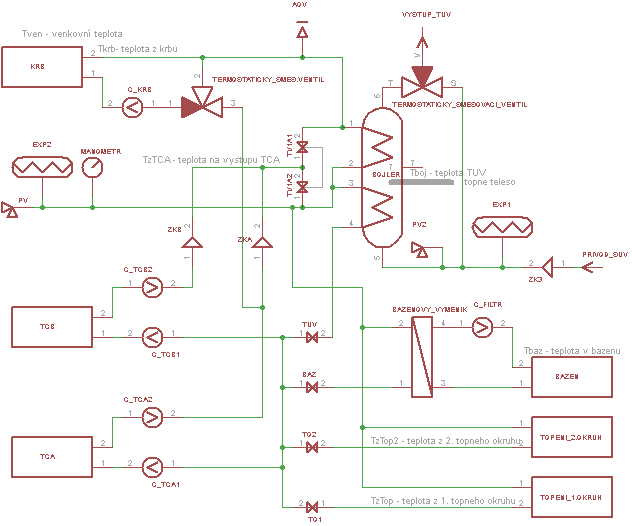
Umožňuje ovládat cirkulaci TUV a zajišťuje minimalizaci tepelných ztrát z oběhu TUV.
Zajišťuje ohřev bazénu pomocí bazénového výměníku a řízení filtrace bazénu.
Dovoluje řídit dva topné okruhy a zapojit do systému teplovodní krbovou vložku a řídit zapínání oběhového čerpadla krbu nebo jiného zdroje tepla na pevná paliva.
Dovoluje ovládat dvanáct zónových ventilů, zajišťujících úsporný ohřev teplé užitkové vody, bazénu a dvou topných okruhů a oběhové čerpadlo krbu.
Jako doplněk lze připojit dva prostorové termostaty. Pro obvyklou činnost řízení vytápění pomocí ekvitermní regulace nejsou tyto termostaty nutné.
Teploty v systému jsou snímány devíti teploměry.
Samozřejmostí je vstup pro signál HDO.
Řídící jednotka Rj3e vyžaduje třífázový nadřazený jistič 3x32A/C.
Zónové ventily TV1A1 a TV1A2 tvoří třícestný ventil, vždy jeden je otevřen a jeden zavřen. Běžné třícestné ventily nevyhovují potřebnému průtoku vody z hlediska koeficientu Kvs.


Tepelná čerpadla EKO190, EKO200n, EKO240n, EKO290n, EKO310n a EKO380n používají dvě venkovní jednotky. Jednotka A slouží přednostně pro ohřev TUV a ohřev bazénu, jednotka B pro vytápění. V případě potřeby ale mohou obě jednotky pracovat současně buď pro vytápění, ohřev TUV nebo ohřev bazénu.
U těchto tepelných čerpadel je velmi důležité dodržet správné zapojení topného okruhu. Vývod topné vody k bazénovému výměníku musí být napojen co nejblíže k vývodu B třícestného ventilu TV1A a vývod topné vody do topného systému musí být napojen co nejblíže vývodu B třícestného ventilu TV1B. Spojkou mezi vývody B třícestných ventilů protéká voda jen pokud obě venkovní jednotky pracují do stejného spotřebiče. Je třeba, aby tato spojka byla dlouhá minimálně 200 mm, aby nedocházelo k přenosu tepla vedením v mědi trubek. Pokud by tato podmínka nebyla dodržena, topná voda z obou jednotek o nestejné teplotě by se míchala a regulace by nemohla pracovat korektně. Je výhodné do této spojky vložit vývody pro manometr, přetlakový ventil a výstup na expanzní nádobu, aby se tento úsek dostatečně prodloužil.





Spřažené venkovní jednotky
V tomto zapojení pracují obě venkovní jednotky do stejného spotřebiče. Může pracovat jen jedna, ale není možný současný režim vytápění i ohřevu TUV (bazénu). Výhodou je jednodušší topný okruh a nižší pořizovací náklady.

